Philips HID-HeavyDuty BSN 400 L33-TS 230V 50Hz HD3-166
- Gratis verzending vanaf € 149 incl. BTWGratis verzending vanaf € 123 excl. BTW
- Zakelijke klant? Koop op rekening
- Gemakkelijk retourneren binnen 14 dagen
Specificaties
|
i
De aanbevolen hoeveelheid verwijst naar het aantal producten dat door de fabrikant is voorverpakt. Wanneer je deze hoeveelheid koopt, leveren wij de producten in het originele pakket van de fabrikant.
|
Aantal in omdoos | 4 |
|---|
| Artikelnummer | 156414 | |
|---|---|---|
| EAN | 8711500059765 | |
| Merk | Philips | |
| Fabrikantnaam | BSN 400 L33-A2-TS 230V 50Hz HD3-166 | |
|
i
Onze All-in garantie is volledig in de productprijs inbegrepen en dekt zowel verborgen gebreken als technische gebreken van het product die zijn opgetreden vóór levering. De garantietermijn verschilt per product en loopt uiteen van 1 jaar tot maximaal 7 jaar.
|
Lampdirect All-in garantie | 1 jaar |
|
i
De techniek geeft de werkingsbasis van een lichtbron aan. Het meest bekende en energiezuinige voorbeeld hiervan is LED. Andere technieken zijn onder andere halogeen, gasontlading, TL (fluorescerend) en de gloeilamp.
|
Techniek | Accessoire |
|---|---|---|
| Geschikt voor lamptype | CDO, HPI, MH, SON | |
| VSA voor lamptype | CDO, HPI, MH, SON | |
| Maximale Wattage Lamp | 400 | |
|
i
Wanneer je verlichting dimt, verbruikt een lamp / armatuur minder vermogen vanwege de lagere lichtsterkte. Met dimmen creëer je dus niet alleen een gezellige sfeer, maar bespaar je ook op jouw energiekosten. Het dimmen van LED kan op meerdere manieren:
Indien er sprake is van een lichtmanagementsysteem of een benodigd platform, dan vermelden wij dit altijd in de specificaties. |
Dimbaar | Niet Dimbaar |
| Aantal lichtpunten | 1 | |
|
i
Verlichting met een sensor brandt enkel wanneer deze een bepaald signaal krijgt. Dit zorgt voor minder energiekosten. De (ingebouwde) sensoren reageren op duisternis (schemerschakelaar) en/of op beweging (bewegingssensor).
|
Sensortype | Geen sensor |
| Type product | Accessoires - VSA HID Lampen |
| EOC8 | 5976530 | |
|---|---|---|
| Product Serie | BSN 400 |
Beschrijving Philips HID-HeavyDuty BSN 400 L33-TS 230V 50Hz HD3-166
Bestel de Philips HID-HeavyDuty BSN 400 L33-TS 230V 50Hz HD3-166 met de beste Philips kwaliteit tegen ongelofelijk aantrekkelijke prijzen! Daar bovenop heeft u zelfs recht op onze staffelkortingen bij een afname van 10 stuks of meer!
Specificaties Philips HID-HeavyDuty BSN 400 L33-TS 230V 50Hz HD3-166
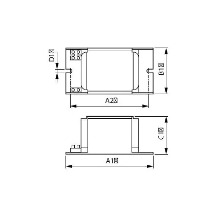
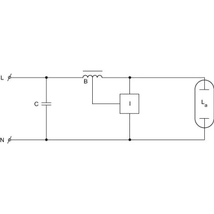
De Philips HID-HeavyDuty BSN semi-parallel ignitor is zeer geschikt voor omgevingen waar chemische stoffen en vochtige omstandigheden zijn en waar de kans op breuk groot is.
Wanneer u 1 lamp wilt aansluiten op een voorschakelapparaat, dan is de Philips HID-HeavyDuty BSN 400 L33-TS 230V 50Hz HD3-166 daar geschikt voor.